XR 7869S
x3c
410-820 hp
Galios diapazonas
62/86 mm
Kompresorius
78 lb/min
Masės srautas
78/69 mm
Turbinos šerdis
x3c
Tipas
Teirautis produkto



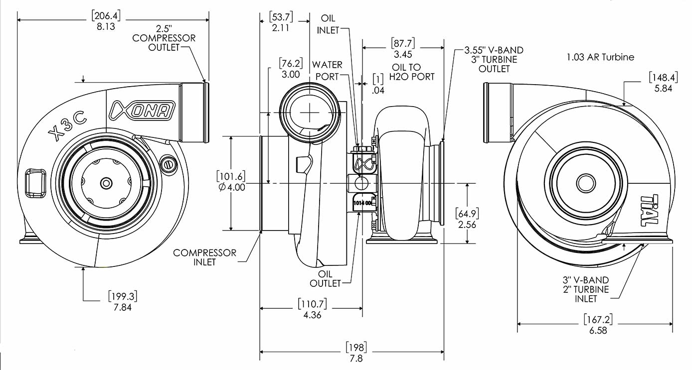
/ Matmenys /






/ Turbinos variacijos /



Detalės kodas Housing`as A/R Wastegate`as Išėjimas
006879 TiAL Housing .82 External V-Band
006880 TiAL Housing 1.03 External V-Band
006913 T3 Inlet 1.06 External V-Band





/ Flanšas /





/ V-Flanšas /
Teirautis produkto