XR 7864S
x3c
410-820 hp
Galios diapazonas
62/86 mm
Kompresorius
78 lb/min
Masės srautas
72/64 mm
Turbinos šerdis
x3c
Tipas
Teirautis produkto



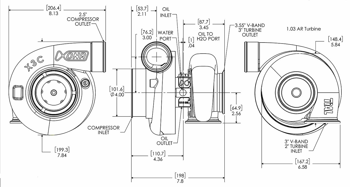
/ Matmenys /






/ Turbinos variacijos /



Detalės kodas Housing`as A/R Wastegate`as Išėjimas
006876 TiAL Housing .82 External V-Band
006877 TiAL Housing 1.03 External V-Band
- T3 Inlet .85 External V-Band
- T3 Inlet 1.06 Internal V-Band
007123 TiAL Housing .62 Internal V-Band
007124 TiAL Housing .80 Internal V-Band





/ Flanšas /





/ V-Flanšas /
Teirautis produkto